法蘭的門類、使用范圍、密封形式都有哪些?為何法蘭在工業領域如此重要?
本文將為小伙伴們全面分享法蘭相關知識,通過法蘭的體系、分類、連接形式、密封形式、使用范圍、常見故障等多角度多方位的系統講解法蘭。

我國現行的法蘭標準分為兩個體系,分別是PN系列(歐洲體系)和Class系列(美洲體系)。
PN系列公稱壓力等級采用PN表示,包括以下九個等級:PN2.5、PN6、PN10、PN16、PN25、PN40、PN63、PN100、PN160。
Class系列公稱壓力等級采用Class表示,包括以下六個等級:Class150、 Class300、Class600、Class900、Class1500、Class2500。
法蘭的公稱壓力等級對照表

因為壓力等級本身就應該是無次的,只是不同的等級標準,互換時除了要考慮LB與MPa的換算關系,大概是MPa=0.007×LB。LB與PN是壓力等級,不是簡單的壓力單位,就是LB可與MPa相互換算,但是LB與PN是不能簡單的換算的。
HG/T20592-2009與HG/T20592-97法蘭標準中公稱壓力的區別。
壓力換算公式:1巴(bar)=100000帕(Pa)=10牛頓/平方厘米=0.1MPa(MPa就是兆帕)是國際標準組織定義的單位。
在HG/T20592-2009法蘭標準中壓力為PN16,與HG/T20592-97法蘭標準中壓力PN1.6的壓力是相同的,即我們平時所說的16公斤壓力。
2009版公稱壓力是按bar為單位,97版公稱是按MPa為單位,16bar=1.6MPa。
法蘭的概念與分類
法蘭又叫法蘭盤或凸緣盤。法蘭是使管子與管子相互連接的零件,連接于管端;也有用在設備進出口上的法蘭,用于兩個設備之前的連接。法蘭連接或法蘭接頭,是指由法蘭、墊片及螺栓三者相互連接作為一組組合密封結構的可拆連接,管道法蘭系指管道裝置中配管用的法蘭,用在設備上系指設備的進出口法蘭。法蘭上有孔眼,螺栓使兩法蘭緊連。法蘭間用襯墊密封。
法蘭按連接方式可分為螺紋連接(絲扣連接)法蘭和焊接法蘭。

1、按化工行業標準來分,法蘭分為:

2、按石化(SH)行業標準來分,法蘭分為:

3、按機械(JB)行業標準來分,法蘭分為:

4、按國家(GB)標準來分,法蘭分為:

5、按照連接方式法蘭連接種類來分,法蘭分為:
板式平焊法蘭、帶頸平焊法蘭、帶頸對焊法蘭、承插焊法蘭、螺紋法蘭、法蘭蓋、帶頸對焊環松套法蘭、平焊環松套法蘭、環槽面法蘭及法蘭蓋、大直徑平板法蘭、大直徑高頸法蘭、八字盲板、對焊環松套法蘭等。

法蘭連接的形式
原理:墊片放在兩法蘭密封面之間,擰緊螺母后,墊片表面上的比壓達到一定數值后產生變形,并填滿密封面上凹凸不平處,使聯接嚴密不漏。
性能:較好的強度和密封性,結構簡單,成本低廉,可多次重復拆卸,應用較廣 。
失效形式:主要表現為泄漏,泄漏量控制在工藝和環境允許的范圍內。

按所聯接的部件可分為容器法蘭及管法蘭。
按結構型式分,有整體法蘭、螺紋法蘭、平焊法蘭對焊法蘭、活套(松套、活舌)法蘭和法蘭蓋。前面我們提到了。

整體法蘭系指泵、閥、機等機械設備與管道連接的進出口法蘭,通常和這些管道設備制成一體,作為設備的一部分。
螺紋法蘭是將法蘭的內孔加工成管螺紋,并和帶螺紋的管子配合實現連接,是一種非焊接法蘭。與焊接法蘭相比,它具有安裝、維修方便的特點,可在一些現場不允許焊接的場合使用。但在溫度高于260℃和低于-45℃的條件下,建議不使用螺紋法蘭,以免發生泄漏。
平焊法蘭又稱搭焊法蘭。平焊法蘭與管子的連接是將管子插入法蘭內孔至適當位置,然后在搭焊,其優點在于焊接裝配時較易對中,且價格便宜,因而得到了廣泛的應用。按內壓計算,平焊法蘭的強度約為相應對焊法蘭的三分之二,疲勞壽命約為對焊法蘭的三分之一。所以,平焊法蘭只適用于壓力等級比較低,壓力波動、振動及震蕩均不嚴重的管道系統中。
平焊定義:待焊表面處于近似水平位置,從接頭上面進行的焊接。
水平方向焊接水平板焊接一般叫平焊。焊縫傾角0°~5、焊縫轉角0°~10°的焊接位置稱為平焊位置,而在平焊位置進行的焊接就稱為平焊。這種焊接位置屬于焊接全位置中,最容易焊的一個位置。
平焊法蘭:通過角焊縫直接與設備或管道焊接的一種法蘭。其結構簡單,加工方便。
(1)用在容器上又分甲型平焊法蘭和乙型平焊法蘭。甲型平焊法蘭直接與容器焊接,其解焊縫尺寸較小或不開坡口焊接,不能保證法蘭與容器同時受力;乙型平焊法蘭附有一段較厚的短節,法蘭與短節的焊接質量可靠,能保證法蘭與容器同時受力。平焊法蘭廣泛用于中、低壓容器和管道的連接。
對焊法蘭又稱高頸法蘭剛性較大,適用于壓力溫度較高的場合。
(2)用在接管上又有板式平焊法蘭、帶頸平焊法蘭和帶頸對焊法蘭三種類型。
板式平焊法蘭:由于法蘭直接與鋼管焊接,法蘭盤在操作時受力狀態差,易發生形變。適用于低壓場合。
帶頸平焊法蘭:由于增加了一厚壁的短節法蘭頸,因此增加了法蘭的剛度,大大減小了法蘭變形。適用于中、低壓場合。
對焊法蘭又稱高頸法蘭,它與其他法蘭不同之處在于從法蘭與管子焊接處到法蘭盤有一段長而傾斜的高頸,此段高頸的壁厚沿高度方向逐漸過渡到管壁厚度,改善了應力的不連續性,因而增加了法蘭強度。對焊法蘭主要用于工況比較苛刻的場合,如管道熱膨脹或其他載荷而使法蘭處受的應力較大,或應力變化反復的場合;壓力、溫度大幅度波動的管道和高溫、高壓及零下低溫的管道。
對焊:對接電阻焊(簡稱對焊)是利用電阻熱將兩工件沿整個端面同時焊接起來的一類電阻焊方法。對焊的生產率高、易于實現自動化,因而獲得廣泛應用。
對焊分為電阻對焊和閃光對焊兩種。

松套法蘭的連接實際也是通過焊接實現的,只是這種法蘭是松套在已與管子焊接在一起的附屬元件上,然后通過連接螺栓將附屬元件和墊片壓緊以實現密封,法蘭(即松套)本身則不接觸介質。這種法蘭連接的優點是法蘭可以旋轉,易于對中螺栓孔,使用在大口徑管道上易于安裝,也適用于管道需要頻繁拆卸以供清洗和檢查的地方。其法蘭附屬元件材料與管子材料一致,而法蘭材料可與管子材料不同,因此比較適合于輸送腐蝕性介質的管道。
(3)其它形式的法蘭連接

法蘭連接也是暖通空調行業中的閥門用得最多的連接形式。按結合面形狀又可分為以下幾種:
光滑式:用于壓力不高的閥門。加工比較方便。
凹凸式:工作壓力較高,可使用中硬墊圈。
榫槽式:可用塑性變形較大的墊圈,在腐蝕性介質中使用較廣泛,密封效果較好。
梯形槽式:用橢圓形金屬環作墊圈,使用于工作壓力≥64公斤/cm2的閥門,或高溫閥門。
透鏡式:墊圈是透鏡形狀,用金屬制作。用于工作壓力≥100公斤/cm2的高壓閥門,或高溫閥門。
O形圈式:這是一種較新的法蘭連接形式,它是隨著各種橡膠O形圈的出現,而發展起來的,它在密封效果上比一般平墊圈可靠。
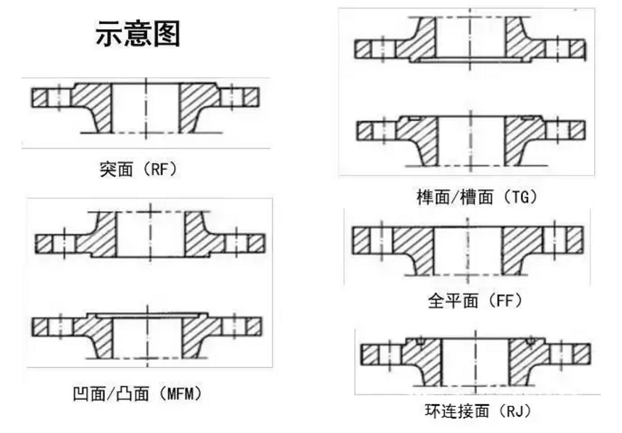
法蘭的密封形式
1、法蘭密封面形式包括


2、法蘭類型與密封面型式



法蘭的使用范圍及代號說明
法蘭標記
鋼管外徑系列是管法蘭尺寸的基礎。我國目前生產和使用的鋼管,從外徑來分有兩個系列:標準中標注為“系列Ⅰ”和“系列Ⅱ”,或稱“A系列”及“B系列”。系列A的鋼管為“英制管”,俗稱“大外徑管”;系列B的鋼管為“公制管”,俗稱“小外徑管”。
所謂“大外徑管及小外徑管”的含義是:在相同管道公稱通徑的條件下,管道附件(諸如法蘭、閥門、管件及管道過濾器等)所配用鋼管外徑尺寸的大小,尺寸大的叫“大外徑”管;尺寸小的叫“小外徑”管。
例如:公稱通經DN100的法蘭,配管外徑為114.3mm及108mm兩種,外徑114.3mm的鋼管稱為“大外徑”管或“A系列”管;外徑108mm的鋼管稱為“小外徑”管或“B系列”管。

PN系列
法蘭按下列規定標記:
HG/T 20592法蘭(或者法蘭蓋)
其中,b為法蘭的類型
c為法蘭的公稱尺寸與適用鋼管外徑系列。若為A系列可以省略,B系列須在后面注明。另外,整體法蘭、螺紋法蘭、法蘭蓋的適用鋼管外徑系列可省略。
d為公稱壓力等級PN
e為密封形式代號
f為鋼管壁厚,由用戶提供。帶頸對焊法蘭、對焊環(松套法蘭)應注明鋼管壁厚
g為材質牌號
h表示其他。比如附加的要求

法蘭按下列規定標記:
HG/T 20615法蘭(或者法蘭蓋)
其中,b為法蘭的類型
c為法蘭的公稱尺寸
d為公稱壓力等級Class
e為密封形式代號
f為鋼管壁厚,由用戶提供。帶頸對焊法蘭、對焊環(松套法蘭)應注明鋼管壁厚
g為材質牌號
h表示其他。比如附加的要求


法蘭的常見故障
在現代工業的連續生產中法蘭受介質腐蝕、沖刷、溫度、壓力、震動等因素的影響,會不可避免的出現泄露問題。由于密封面加工尺寸的誤差,密封元件的老化以及安裝緊固不當等原因極易造成法蘭的滲漏。如果不能及時治理法蘭滲漏問題,在介質的沖刷下會使滲漏迅速擴大,造成物料的損失,生產環境的破壞,導致企業停機停產,造成巨大的經濟損失。如果是有毒有害、易燃易爆的介質泄漏,還有可能造成人員中毒、火災爆炸等重大事故。
傳統解決法蘭滲漏的方法為更換密封元件和涂抹密封膠或者更換法蘭及管道,但該方法具有很大的局限性,且有的滲漏受工作環境安全的要求限制,無法現場進行解決。現可以采用高分子復合材料進行現場堵漏,其中應用比較成熟的有福世藍的體系。其是一個很理想的方法,特別是在易燃易爆場合下,更顯示其獨有的優越性。高分子復合材料技術施工工藝簡單、安全,且費用低,能夠為企業解決大部分的法蘭滲漏問題,消除安全隱患,為企業節省更多的維修成本。
